Назначение
Filato Drillmatic 612-2H - это современный высокоскоростной сверлильно-присадочной центр с ЧПУ, предназначен для высокоточного сверления сквозных и глухих отверстий в торцах и плоскостях мебельных щитов с 6 сторон, а также выборки пазов при помощи пазовальной пилы и фрезерной обработки с помощью двух фрезерных агрегатов.
Центр обеспечивает сверление всех карт присадки за одну установку детали, а также поддерживает одновременную обработку 2-х деталей.
Область применения
Применяются на производствах, где необходима повышенная гибкость и производительность. Эти станки не требуют перенастройки на каждую деталь, достаточно выбрать программу и установить заготовку. В памяти создается библиотека различных карт присадок, и станок может работать в поточном режиме без перенастроек.
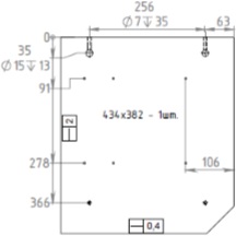
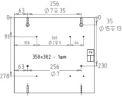
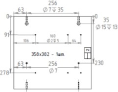
Схема обработки
Получаемые изделия
Конструктивные особенности
МАССИВНАЯ СВАРНАЯ СТАНИНА
Одним из важных производственных этапов производства станин является ее отжиг, а также отжиг основных нагруженных сварных деталей конструкции станка в печи после технологических операции по сварке. Это позволяет снять внутренние напряжения металла и предотвращает его деформацию в процессе технологических нагрузок, создаваемых установленными узлами в процессе работы станка. После отжига обработка станин проходит на передовых металлообрабатывающих станках с ЧПУ за одну установку, это дает высокую точность работы узлов на более длительном сроке службы. Все элементы конструкции станка, так же проходят абсолютно такую же обработку на металлообрабатывающих станках с ЧПУ, японского производства. Основные площадки станины имеет толщину 14-18 мм, что обеспечивает высокую степень жесткости конструкции станка, устойчивость к статическим и динамическим нагрузкам, поглощает вибрацию при работе узлов. Высокая геометрическая точность фрезерованных площадок под направляющие достигается за счет технологической возможности обработки станин за одну установку на металлообрабатывающих центрах с ЧПУ. Это дает возможность получить гарантированно высокую точность и качество при обработке заготовок любых размеров. Станина станка сварная, выполнена из толстостенных стальных труб прямоугольного сечения, что обеспечивает высокую степень жесткости конструкции станка, устойчивость к статическим и динамическим нагрузкам, поглощает вибрацию при работе. За счет большой массы станка обеспечивается отличная виброустойчивость, а это, положительно сказывается на ресурсе узлов и долговечности инструмента.
ЗАГРУЗКА ДЕТАЛЕЙ В СТАНОК
Детали при подаче в станок загружаются горизонтально и перемещаются по широкому рабочему столу с «воздушной подушкой». В начале загрузочного стола предусмотрен ряд из пяти пластиковых роликов для удобства загрузки длинных деталей или тяжелых деталей, к примеру столешниц, для выполнения операции фрезерования соединения «Еврозапил».
ВЫГРУЗКА ДЕТАЛЕЙ ИЗ СТАНКА
С обратной стороны станка установлен автоматический поперечный разгрузочный конвейер с датчиками наличия заготовки. Станок поддерживает два режима выгрузки заготовки из рабочей зоны: проходной режим и режим загрузки-выгрузки с одной стороны - что удобно при работе одному оператору. Данный автоматический конвейер выгрузки позволяет интегрировать станок в автоматические линии предприятия. Данный конвейер входит в стандартную комплектацию станка.
2 НЕЗАВИСИМЫХ ПНЕВМАТИЧЕСКИХ ЗАХВАТА
Захваты предназначены для четкой и надежной фиксации заготовки и её дальнейшего технологического перемещения во время цикла обработки. Управляются захваты в зависимости от программы оптимизации и выбранной карты присадки и развивают максимальную скорость перемещения до 130 м/мин. Каждый из захватов имеет обдувочные форсунки в зоне базировки, для исключения попадания пыли и стружки, а также по 3 вертикальных базирующих цилиндра с подшипниками качения. Это позволяет работать с деталями критично малых размеров, а также за счёт подшипников качения исключить возможные повреждения кромки деталей при базировке. При обработке длинных заготовок, захваты в автоматическом режиме поочередно осуществляют перехват, алгоритм работы настроен таким образом, чтобы во время перехватов один из захватов всегда удерживал заготовку, тем самым гарантирую сохранение точностных характеристик станка.
ЦЕНТРАЛЬНЫЙ БАЗИРУЮЩИЙ ПНЕВМОУПОР SCHMALZ (ГЕРМАНИЯ)
Базирующий упор крепится к верхней присадочной голове и имеет возможность автоматического изменения точки базировки вдоль оси Y, т.е. базирующий упор будет всегда позиционироваться в середину заготовки по ширине. Подобный алгоритм работы, в отличии от упоров имеющих статичное место установки, позволяет создать более гарантированную базу для позиционирования деталей и получить чёткую присадку деталей.
АВТОМАТИЧЕСКИЙ БОКОВОЙ ПРИЖИМ ДЕТАЛЕЙ
При перемещении детали в горизонтальной плоскости, используется программно управляемый прижим с роликами. Данный прижим, в соответствии с установленными программно параметрами детали, настраивается при помощи серводвигателя на требуемую ширину детали исключая любые, даже незначительные её смещения при движении вдоль рабочего стола.
СИСТЕМА АВТОМАТИЧЕСКОГО ИЗМЕРЕНИЯ ДЛИНЫ И ШИРИНЫ ДЕТАЛЕЙ НА ВХОДЕ В СТАНОК
Каждый станок Filato оснащается контрольной системой измерения для предотвращения повреждения узлов и агрегатов из-за ошибок оператора при загрузке деталей. Каждая деталь перед началом цикла обработки измеряется специальными оптическими датчиками и далее данные измерения сопоставляются с программными размерами. В случае если есть отклонения система сигнализирует об этом и станок останавливается информируя об этом оператора. Нижний датчик оснащен обдувочной форсункой для исключения искажений при измерении при попадания стружки и пыли на поверхность датчика.
ВЕРХНЯЯ СВЕРЛИЛЬНО-ПРИСАДОЧНАЯ ГРУППА PROTEAN (ТАЙВАНЬ)
- 12 вертикальных шпинделей (8 + 4)
- 8 горизонтальных шпинделей: 2 + 2 по оси X, 2 + 2 по оси Y
- 1 пазовальная пила Ø 120 мм
ПАЗОВАЛЬНАЯ ПИЛА
Пазовальный агрегат штатно установлен непосредственно в сверлильной голове. Направление пазования определено движением заготовки вдоль длинной оси станка (ось Х). Функциональное назначение данного агрегата: выборка паза под установку задних стенок из ДВП и ХДФ для мебельных шкафов, а также выборку пазов в выдвижных ящиках для установки дна и др.
НИЖНЯЯ СВЕРЛИЛЬНО-ПРИСАДОЧНАЯ ГРУППА PROTEAN (ТАЙВАНЬ)
- 9 вертикальных шпинделей
Преимущества наличия нижней присадочной группы:
- Сверление одновременно двух деталей за одну установку.
- Сверление деталей имеющих глухие отверстия с обеих сторон за одну установку.
ПРОМЫШЛЕННЫЕ ЭЛЕКТРОШПИНДЕЛИ 6,0 КВТ (ВЕРХНИЙ) + 3,5 КВТ (НИЖНИЙ)
В основу конструкции шпинделей положены лучшие конструктивные решения. Высокая частота вращения (18 000 об/мин) и достаточная мощность (6 / 3,5 кВт) дает возможность осуществлять качественную обработку деталей с высокой скоростью. Охлаждение двигателя воздушное от вентилятора, установленного на валу шпинделя.
В последнее время функционал фрезерного узла востребован всё чаще и чаще, так как при производстве современной мебели учитываются конструктивные особенности помещений, где она будет эксплуатироваться в дальнейшем, а это: сложные вырезы под фурнитуры, скосы под плинтус и навески, фрезеровка радиусов на деталях и различные соединительные фрезеровки, в том числе в кухонных столешницах («еврозапил») и др. Используемый обычно при обработке диаметр зажимаемого в цанге инструмента составляет 10 - 12 мм.
Настройки станка выставлены таким образом, что станку не требуется фрезеровать область обработки в «пыль», как это сделано на станках других производителей. Станок фрезерует по заданной траектории, а далее останавливается в паузу для того чтобы оператор удалил обрезки и станок продолжил обработку детали. При работе с фрезерным агрегатом используются инструментальные цанги ER25.
ЯПОНСКИЕ ПЛАНЕТАРНЫЕ РЕДУКТОРЫ ПО ОСЯМ X / Y NIDEC
Установка японских планетарных редукторов Nidec позволило значительно улучшить потребительские показатели оборудования, а именно:
- Реализовать большие удельные мощности при обеспечении высокой нагрузочной способности и минимальных габаритах привода;
- Повысить скорость станка и получить гораздо более высокий КПД;
- Уменьшить время на техническое обслуживание оборудования, т.к. данные редукторы не требуют обслуживания и настройки в течение всего срока эксплуатации.
ВЫСОКОСКОРОСТНЫЕ СЕРВОДВИГАТЕЛИ
На станке устанавливаются современные серводвигатели с повышенными эксплуатационными требованиями и полностью цифровым подключением посредством промышленной CAN шины они устанавливаются на каждом узле для перемещения по всем осям обеспечивая быстрое и высокоточное позиционирование шпинделя в соответствии с заданной программой при высокой скорости перемещения до 130 м/мин. Данные серводвигатели хорошо зарекомендовали себя высокой степенью надежности и стабильности даже при работе в тяжелых производственных условиях.
КОСОЗУБЫЕ ПЕРЕДАЧИ ШЕСТЕРНЯ – РЕЙКА ПО ОСЯМ X / Y ROTALIN (ГЕРМАНИЯ)
В отличие от передач с прямыми зубьями, косые входят в зацепление постепенно, а не сразу по всей длине. Косозубое зацепление не имеет зоны однопарного зацепления. В прямозубой передаче нагрузки на зубья прикладывается мгновенно. Зубья в косозубых передачах нагружаются постепенно по мере захода их в зону зацепления, в зацеплении всегда находится как минимум две пары зубьев. Данные факторы определяют плавность работы косозубого зацепления, а также снижение шума и дополнительных динамических нагрузок по сравнению с прямозубым зацеплением.
ВЫСОКОТОЧНЫЕ ПРИЗМАТИЧЕСКИЕ ЛИНЕЙНЫЕ НАПРАВЛЯЮЩИЕ LAPPING (ТАЙВАНЬ)
За счет повышенной устойчивости и жесткости обеспечивают высокую точность перемещения портала, суппорта и высокооборотного шпинделя по осям X, Y и Z. Достигается высокая точность обработки и долговечность работы станка без потери точностных параметров.
ВЫСОКОПРЕЦИЗИОННЫЕ ШАРИКО-ВИНТОВЫЕ ПЕРЕДАЧИ ПО ОСЯМ Z1 И Z2 TBI (ТАЙВАНЬ)
За счет исключения люфта обеспечивается высокоточное перемещение шпиндельной площадки по оси Z, а применение шарико-винтовой пары увеличенного сечения гарантирует сохранение точности при выполнении высокоскоростной обработки сложных изделий.
ПРОМЫШЛЕННАЯ СИСТЕМА КОНДИЦИОНИРОВАНИЯ ЭЛЕКТРОШКАФА
Кондиционер с хладагентом (фреон R134a) установлен в стандартной комплектации и применяется для поддержания заданной рабочей температуры внутри шкафа управления, где расположены основные элементы управления и непосредственно управляющий контроллер. При их работе происходит нагрев и интенсивное тепловыделение. Применение кондиционера значительно повышает ресурс электрокомпонентов, а также снижает риски возгорания из-за перегрева. Особенно востребовано в южных регионах страны, где наблюдаются высокие температурные колебания, чреватые выходом из строя сложных полупроводниковых компонентов.
ЭЛЕКТРОШКАФ
Электрошкаф управления - самая ответственная часть станка и от его надежности зависит дальнейшая стабильная работа станка. Шкаф управления станком оснащен комплектующими ведущих мировых производителей (Schneider, Telemecanique) и скомпонован в отдельный блок, изолированный от вибраций, перегрева и других внешних воздействий. Все компоненты и соединения расположены на строго отведенных местах и имеют легкий доступ для контроля и обслуживания.
ЧАСТОТНЫЕ ПРЕОБРАЗОВАТЕЛИ
Установлены в шкафу управления и предназначены для управления параметрами шпинделей и присадочных голов, где требуется высокая точность регулирования частоты вращения. Обеспечивает плавное достижение требуемого крутящего момента на валах электродвигателей и возможность прямого управления этим моментом.
УПРАВЛЯЮЩИЙ КОНТРОЛЛЕР HIGERMAN + ШТАТНОЕ ПРОГРАММНОЕ ОБЕСПЕЧЕНИЕ НА РУССКОМ ЯЗЫКЕ
Простой и интуитивно понятный программный продукт, позволяющий при помощи стандартного набора команд и макросов задать обработку любой карты присадки. Программа обладает доступным графическим интерфейсом, наглядно демонстрирующим технологические карты присадок, и позволяет осуществлять импорт файлов из популярных программных комплексов по проектированию мебели. Такие как Базис-Мебельщик, К3 Мебель, bCAD. Наличие интерфейсов USB, Ethernet значительно повышает удобство подключения различных внешних устройств, а также позволяет произвести подключение станка к локальной сети предприятия.
РАБОЧЕЕ МЕСТО ОПЕРАТОРА
Рабочее место оператора оборудовано стойкой управления станком удобно расположенной на мощном поворотном кронштейне и оснащённой большим 21 дюймовым монитором. Удобная подставка под клавиатуру и мышь, позволяет оператору быстро создавать новые программы обработки или производить корректировки в существующих программах, а также изменять настройки станка. Панель с основными кнопками аналогового управления циклами, а также USB порт расположена на удобном месте под экраном стойки, что значительно облегчают работу оператору. Меню программной оболочки полностью русифицировано, и наглядно отображает всю информацию необходимую во время производственного процесса.
ОРГАНЫ УПРАВЛЕНИЯ
В комплекте со станком поставляются беспроводные клавиатура и мышь, что также является более удобным для оператора станка, а отсутствие проводов и разъемов исключает их повреждение при работе с габаритными заготовками.
СКАНЕР ДЛЯ РАБОТЫ СО ШТРИХ-КОДАМИ
Для удобства работы, а также для сокращения времени перехода на различные карты присадки станок оснащен сканером для считывания штрих-кодов. Данная система позволяет экономить до 20% рабочего времени, а также снизить влияние человеческого фактора, тем самым уменьшить количество брака. Сканер и его базовая зарядная станция расположены в удобном для оператора месте, под рабочим столом.
АВТОМАТИЧЕСКАЯ ЦЕНТРАЛИЗОВАННАЯ СИСТЕМА СМАЗКИ
Автоматическая централизованная система подачи смазки способны проработать без обслуживания весь срок службы оборудования. Данная система гарантирует чёткое и дозированное поступление смазочных материалов в различные узлы станка согласно заданным промежуткам технического обслуживания. Система позволяет значительно снизить время на обслуживание станка, а также риск повреждения узлов за счет несвоевременного обслуживания и недостаточного или избыточного количества смазочного материала. Превосходная защита от пыли, особенно в производстве мебели и деревообработке.
СМАЗКА ПРИСАДОЧНЫХ ГОЛОВ И ТРУДНОДОСТУПНЫХ УЗЛОВ
Для смазки присадочных голов и труднодоступных узлов, к которым невозможно подключить автоматическую систему смазки, предусмотрены выносные площадки с точками смазки для обслуживания. Смазка осуществляется вручную при помощи плунжерного смазочного пистолета входящего в ЗИП станка.
ЗАЩИТНЫЙ ПОДДОН ДЛЯ УЛАВЛИВАНИЯ ИЗЛИШКОВ СМАЗКИ
Интенсивная работа станка требует своевременной его смазки, но в любом случае часть этой смазки во время работы оборудования может попадать на поверхность деталей и оставлять трудноудаляемые пятна, а иногда вообще безвозвратно повреждать детали. Во избежание подобных ситуации в критических местах скопления излишков смазки установлены специальные емкости для их улавливания.
СИСТЕМА ПОДГОТОВКИ СЖАТОГО ВОЗДУХА
Позволяет обеспечить необходимое качество сжатого воздуха на входе в станок, т.е. отделить влагу, которая оказывает негативное воздействие на пневматические системы станка и в целом на долговечность всего оборудования.
ВСТРОЕННЫЙ РЕСИВЕР
Сверлильноприсадочные станки во время цикла потребляют большое количество сжатого воздуха. Так как есть риски, что общая пневмосистема предприятия может давать кратковременные «просадки» из-за большой общей нагрузки, то возникает риск недосверливания отверстий по глубине или остановку станка в ошибку, а это недопустимо. Для исключения подобных ситуаций в станке конструктивно предусмотрен компактный ресивер, который компенсирует возможные просадки давления в системе и гарантирует заданную глубину сверления.
ПНЕВМОРЕГУЛЯТОРЫ С МАНОМЕТРАМИ
Сверлильно-присадочные станки работают с материалами с различными характеристиками в том числе по плотности, также не редки случаи, когда приходится работать с низкокачественными плитными материалами склонными к образованию сколов. Для того чтобы была возможность обработки подобных материалов требуется гибкая настройка пневматической системы, которая осуществляется с помощью пневморегуляторов, а значения настроек отображаются на индивидуальных манометрах.
ПНЕВМАТИЧЕСКИЕ РАСПРЕДЕЛИТЕЛИ
За чёткость и скорость работы пневматических систем станка, в том числе и присадочных голов, отвечают пневматические распределители.
ПНЕВМАТИЧЕСКИЕ КОМПЕНСАТОРЫ
Так как верхние обрабатывающие группы имеют значительную массу, а при высокоскоростной обработке необходимо в кратчайшее время осуществлять интенсивные возвратно-поступательные движения в вертикальной плоскости, это приводит к значительным нагрузкам на серводвигатели по осям Z. Для того, чтобы снизить эту нагрузку, завод-изготовитель предусмотрел пневматические компенсаторы, таким образом основную весовую нагрузку они берут на себя, а серводвигатели работают в штатных режимах на максимально заявленных скоростях.
ПРОМЫШЛЕННЫЙ ВИХРЕВОЙ НАСОС (ВОЗДУШНАЯ ПОДУШКА РАБОЧЕГО СТОЛА)
Встроенный промышленный одноконтурный вихревой насос обеспечивает постоянный поток воздуха для рабочего стола. Благодаря этому заготовки поддерживается воздушной подушкой и не контактирует с поверхностью стола. Это позволяет легко работать обрабатывать с заготовками больших размеров, а также работать с заготовками обладающими деликатными поверхностями (пластики, эмали, плёнки)
ЗАЩИТНЫЕ ГОФРЫ И КАБЕЛЬ-КАНАЛЫ
Абсолютно все силовые кабели станка, а также масляные и пневмомагистрали уложены в защитные гибкие кабель-каналы и пластиковые гофры. Это защищает их от критических перегибов, приводящих к повреждению защитной оплётки, а также от возможных повреждений во время обработки и при высокоскоростных перемещениях рабочих агрегатов.
РУЧНОЙ ПУЛЬТ УПРАВЛЕНИЯ
Функциональный и эргономичный пульт управления, предназначен для управления станком в ручном режиме. Значительно облегчает работу оператора во время настройки станка, а также снижает риск повреждения оборудования в процессе обработки при проведении сложных фрезерных операций.
ПЕДАЛЬ УПРАВЛЕНИЯ
Для удобства работы оператора предусмотрен педальный узел, позволяющий управлять пусками и остановками станка при помощи ног. Особенно удобен при работе с заготовками больших размеров (боковины шкафов, столешницы и т.п.), когда руки оператора заняты удерживанием детали при базировании. Конструкция педального узла имеет защиту исключающую случайное срабатывание при падении на неё заготовок или непреднамеренного касания ног оператора.
ИНСТРУМЕНТ ДЛЯ НАСТРОЙКИ И ОБСЛУЖИВАНИЯ СТАНКА
В комплекте со станом поставляется шприц для смазки присадочных голов, а также вместительный пластиковый кейс с ключами и необходимой фурнитурой для сборки и настройки станка, а также его дальнейшего обслуживания.
БАЗОВЫЙ КОМПЛЕКТ ИНСТРУМЕНТА
Каждый станок комплектуется базовым комплектом стандартного твердосплавного инструмента состоящий из сверел диаметрами (5 / 8 / 10 / 15 / 35 мм) и фрез диаметром (6 / 10 мм), а также пазовальной пилой. Этот комплект предназначен для проведения настройки оборудования и демонстрации его работоспособности при шеф-монтажных работах. В последующем пользователь уже самостоятельно приобретает необходимый инструмент исходя из требуемой обработки.
АСПИРАЦИОННАЯ ПОДГОТОВКА
Каждый станок комплектуется аспирационными кожухами, которые локализуют зоны обработки для максимально возможного удаления пыли и стружки интенсивно выделяющихся во время обработки. Кожухи независимые и отдельно установлены на присадочных головах и отдельно на фрезерных агрегатах. Верхние кожухи соединены в общую магистраль с программно управляемыми шиберными заслонками, которые в зависимости от обработки закрывают незадействованные аспирационные каналы для повышения эффективности аспирационной установки.
100% АДАПТАЦИЯ ДЛЯ РАБОТЫ С ПОПУЛЯРНЫМИ КОНСТРУКТОРСКИМИ ПРОГРАММНЫМИ ПРОДУКТАМИ
Оборудование полностью адаптировано для работы с популярным программным обеспечением для проектирования мебели: Базис-Мебельщик / К3-Мебель / bCAD. Это является большим преимуществом, т.к. технологическое задание на станок отправляется непосредственно из ПО без дополнительных программных конвертеров.
ДОСТУПНОСТЬ ДЛЯ ОБСЛУЖИВАНИЯ И НАСТРОЙКИ
Защитные кожухи станка оборудованы большими технологическими дверями, чтобы обслуживающий персонал или оператор имели лёгкий доступ ко всем основным агрегатам для их обслуживания, замены инструмента, настройки или ремонта.
КОЖУХИ И АВАРИЙНЫЕ ВЫКЛЮЧАТЕЛИ ДЛЯ БЕЗОПАСНОЙ ЭКСПЛУАТАЦИИ ОБОРУДОВАНИЯ
Эксплуатация промышленного оборудования всегда связана с риском для здоровья и жизни персонала, в целях предотвращения возможных несчастных случаев и травматизма станок оснащен защитными кожухами максимально закрывающими движущиеся части станка, а также аварийными концевыми выключателями, которые мгновенно останавливают работу станка при попытке открытия кожухов и технологических дверей.
СЛУЖБА УДАЛЕННОЙ ДИАГНОСТИКИ (TELESERVIS)
Специалисты службы удалённой диагностики оперативно подключаются к оборудованию, что позволяет им в большинстве случаев быстро найти причину неисправности и оперативно устранить её без необходимости выезда сервис-инженеров.
































































